
Этот продукт является основным приводным компонентом в системах приводных роликовых конвейеров. Это функциональный модуль, который высокопрочным и высокоточным образом объединяет стальную звездочку с концом вала конвейерного ролика. Его основная функция заключается в эффективном и надежном преобразовании мощности, передаваемой приводной цепью, во вращательное движение ролика, тем самым приводя в движение конвейерную ленту или непосредственно перемещая материалы.

Благодаря использованию процесса сварки стальных звездочек и трубок ролики теперь могут передавать больший крутящий момент и транспортировать поддоны с тяжелыми грузами. Прецизионный шарикоподшипниковый узел может выдерживать больший вес, чем полимерный подшипниковый узел, поскольку он плотно и надежно закреплен при ударе в стальном корпусе.
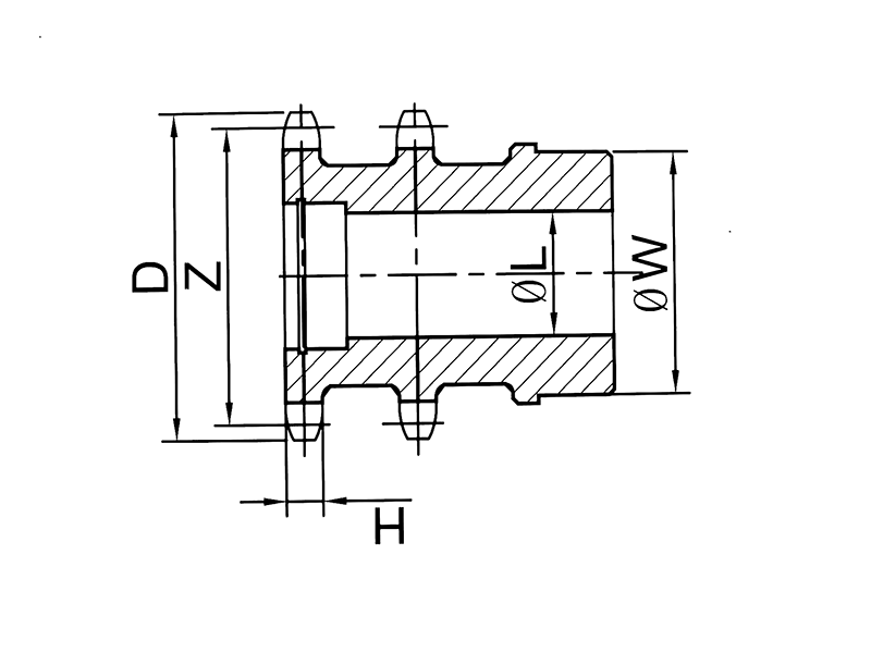
| выходной диаметр трубки | толщина трубки | диаметр вала | модель звездочки | материал | обработка поверхности |
| Φ38 | 1,2/1,5/2,0 | 12/15 | 06Б/08Б | Сталь #45, SS304 | закалка, окисление |
| Φ50 | 1,2/1,5/2,0 | 12/15 | 06Б/08Б | Сталь #45, SS304 | закалка, окисление |
| Φ60 | 1,5/2,0/2,5/3,0 | 12/15/20 | 08Б | Сталь #45, SS304 | закалка, окисление |
| Φ76 | 2,0/2,5/3,0/3,5 | 12/15/20/25 | 08Б/10А | Сталь #45, SS304 | закалка, окисление |
| Φ89 | 3,0/3,5/4,0 | 12/15/20/25 | 10А | Сталь #45, SS304 | закалка, окисление |
Примечания: доступен однорядный или двухрядный узел звездочки.
Этот узел представляет собой стандартизированный или индивидуальный соединительный блок, специально разработанный для применения в промышленной транспортировке. Его типичная структура включает в себя:
Стальная звездочка: основной компонент узла. Обычно его изготавливают из высококачественной углеродистой или легированной стали (например, стали 45#, 40Cr) путем ковки и механической обработки. Профиль зуба точно рассчитывается (например, в соответствии со стандартами ANSI или ISO) и подвергается термической обработке (закалке и отпуску), придающей поверхности зуба высокую твердость (HRC 40-55) и превосходную износостойкость и ударопрочность.
Конец соединения ролика: В зависимости от конструкции конца вала ролика основные методы соединения включают в себя:
Ключевое соединение: Самый традиционный и надежный метод. Во ступице звездочки выточена шпоночная канавка, а крутящий момент передается через параллельную шпонку или шпонку Вудраффа, взаимодействующую с соответствующей шпоночной канавкой на валу ролика. Установочные винты часто используются для дополнительной осевой фиксации.
Соединение Taper-Lock (втулка): более современный метод соединения без ключа. Ступица звездочки имеет коническое отверстие, соответствующее двухконусной упругой втулке. Затягивание высокопрочных болтов приводит к радиальному расширению втулки, создавая огромное статическое трение между ступицей звездочки и валом ролика. Это обеспечивает соединение с высоким крутящим моментом, высокой концентричностью и нулевым люфтом и может компенсировать незначительные допуски обработки.
Фланцевое соединение: В тяжелых условиях эксплуатации звездочку можно прикрепить болтами непосредственно к ведущему фланцу, приваренному к торцевой поверхности катка.
Комплексная конструкция. В некоторых конструкциях звездочка интегрирована с корпусом подшипника, уплотнительной конструкцией или даже с торцевой крышкой ролика, образуя более простой в установке и обслуживании «узл приводной стороны».

Эффективная передача мощности: стальная звездочка плотно сцепляется с приводной цепью (например, роликовой цепью), обеспечивая высокую эффективность передачи и минимальные потери энергии.
Высокая несущая способность и надежность: стальной материал и процесс термообработки гарантируют, что узел выдерживает ударные нагрузки и постоянные переменные нагрузки, вызванные циклами запуска-остановки системы и изменениями нагрузки. Ее надежность намного превосходит надежность пластиковых или чугунных звездочек.
Точная синхронизация: точная обработка профиля зубьев и надежные методы соединения гарантируют синхронизацию между несколькими роликами, что имеет решающее значение для предотвращения перекоса материала и обеспечения бесперебойной работы конвейерной линии.
Высокая адаптация к окружающей среде: стальные компоненты обычно подвергаются антикоррозионной обработке (цинкование, чернение, покраска), что позволяет им противостоять обычным факторам заводской окружающей среды, таким как пыль, влажность и умеренные коррозионные условия.
Длительный срок службы и простота обслуживания: отличная износостойкость значительно продлевает цикл замены. Модульная конструкция позволяет заменять только саму звездочку при износе без необходимости замены всего катка.
Этот узел является основным компонентом всего конвейерного оборудования, использующего цепной привод, и широко используется в:
Роликовые конвейеры с приводом: для транспортировки поддонов, контейнеров и тяжелых посылок.
Пластинчатые/верхние цепные конвейеры: В качестве узла звездочки на конце приводного вала.
Системы подвесных цепных конвейеров: в качестве приводной звездочки для цепи.
Конвейерные устройства сельскохозяйственной и строительной техники: такие как внутренние транспортные механизмы в комбайнах и экскаваторах.
Линии упаковки и сортировки: секции, требующие стабильных, надежных и регулируемых по скорости приводов.

Надежная передача мощности. Стальной материал и процессы упрочнения обеспечивают абсолютную надежность передачи мощности.
Высокая несущая способность: подходит для непрерывной промышленной эксплуатации в средних и тяжелых условиях.
Точная синхронизация: обеспечивает синхронизированное действие нескольких точек привода на конвейерной линии.
Длительная долговечность: высокая износостойкость конструкции снижает затраты на техническое обслуживание в течение жизненного цикла.
Гибкая совместимость: возможность гибкого выбора и настройки в зависимости от диаметра вала ролика, размера цепи (например, 08B, 10A, 12A) и количества зубьев.
При выборе он должен соответствовать конвейерному ролику и системе привода. Ключевые параметры включают в себя:
Параметры звездочки: размер цепи (определяет шаг), количество зубьев (влияет на передаточное число и плавность зацепления), модель (однонитчатая/двухцепочечная/сверхмощная).
Параметры соединения: диаметр отверстия (должен соответствовать диаметру вала ролика), размеры шпоночного паза или характеристики втулки.
Параметры производительности: допустимый крутящий момент, применимый диапазон скоростей.
Требования к установке: Обеспечьте правильное соосность звездочки и вала ролика. Затяните все крепежные детали (шпонка, болты втулки, установочные винты) с указанным моментом затяжки. Убедитесь, что зубья звездочки и приводная цепь находятся в одной плоскости, чтобы предотвратить «перескакивание цепи» или ненормальный износ.
Подводя итог, можно сказать, что узел стальной звездочки конвейерного ролика является «силовым соединением» в области промышленной транспортировки. Он представляет собой инженерную интеграцию стандартной трансмиссионной звездочки с валом ролика. Благодаря своим прочным, долговечным и надежным характеристикам он является незаменимым ключевым механическим компонентом, обеспечивающим непрерывную и эффективную работу различных производственных и логистических линий.

Этот продукт является основным приводным компонентом в системах приводных роликовых конвейеров. Это функциональный модуль, который высокопрочным и высокоточным образом объединяет стальную звездочку с концом вала конвейерного ролика. Его основная функция заключается в эффективном и надежном преобразовании мощности, передаваемой приводной цепью, во вращательное движение ролика, тем самым приводя в движение конвейерную ленту или непосредственно перемещая материалы.

Благодаря использованию процесса сварки стальных звездочек и трубок ролики теперь могут передавать больший крутящий момент и транспортировать поддоны с тяжелыми грузами. Прецизионный шарикоподшипниковый узел может выдерживать больший вес, чем полимерный подшипниковый узел, поскольку он плотно и надежно закреплен при ударе в стальном корпусе.
| выходной диаметр трубки | толщина трубки | диаметр вала | модель звездочки | материал | обработка поверхности |
| Φ38 | 1,2/1,5/2,0 | 12/15 | 06Б/08Б | Сталь #45, SS304 | закалка, окисление |
| Φ50 | 1,2/1,5/2,0 | 12/15 | 06Б/08Б | Сталь #45, SS304 | закалка, окисление |
| Φ60 | 1,5/2,0/2,5/3,0 | 12/15/20 | 08Б | Сталь #45, SS304 | закалка, окисление |
| Φ76 | 2,0/2,5/3,0/3,5 | 12/15/20/25 | 08Б/10А | Сталь #45, SS304 | закалка, окисление |
| Φ89 | 3,0/3,5/4,0 | 12/15/20/25 | 10А | Сталь #45, SS304 | закалка, окисление |
Примечания: доступен однорядный или двухрядный узел звездочки.
Этот узел представляет собой стандартизированный или индивидуальный соединительный блок, специально разработанный для применения в промышленной транспортировке. Его типичная структура включает в себя:
Стальная звездочка: основной компонент узла. Обычно его изготавливают из высококачественной углеродистой или легированной стали (например, стали 45#, 40Cr) путем ковки и механической обработки. Профиль зуба точно рассчитывается (например, в соответствии со стандартами ANSI или ISO) и подвергается термической обработке (закалке и отпуску), придающей поверхности зуба высокую твердость (HRC 40-55) и превосходную износостойкость и ударопрочность.
Конец соединения ролика: В зависимости от конструкции конца вала ролика основные методы соединения включают в себя:
Ключевое соединение: Самый традиционный и надежный метод. Во ступице звездочки выточена шпоночная канавка, а крутящий момент передается через параллельную шпонку или шпонку Вудраффа, взаимодействующую с соответствующей шпоночной канавкой на валу ролика. Установочные винты часто используются для дополнительной осевой фиксации.
Соединение Taper-Lock (втулка): более современный метод соединения без ключа. Ступица звездочки имеет коническое отверстие, соответствующее двухконусной упругой втулке. Затягивание высокопрочных болтов приводит к радиальному расширению втулки, создавая огромное статическое трение между ступицей звездочки и валом ролика. Это обеспечивает соединение с высоким крутящим моментом, высокой концентричностью и нулевым люфтом и может компенсировать незначительные допуски обработки.
Фланцевое соединение: В тяжелых условиях эксплуатации звездочку можно прикрепить болтами непосредственно к ведущему фланцу, приваренному к торцевой поверхности катка.
Комплексная конструкция. В некоторых конструкциях звездочка интегрирована с корпусом подшипника, уплотнительной конструкцией или даже с торцевой крышкой ролика, образуя более простой в установке и обслуживании «узл приводной стороны».

Эффективная передача мощности: стальная звездочка плотно сцепляется с приводной цепью (например, роликовой цепью), обеспечивая высокую эффективность передачи и минимальные потери энергии.
Высокая несущая способность и надежность: стальной материал и процесс термообработки гарантируют, что узел выдерживает ударные нагрузки и постоянные переменные нагрузки, вызванные циклами запуска-остановки системы и изменениями нагрузки. Ее надежность намного превосходит надежность пластиковых или чугунных звездочек.
Точная синхронизация: точная обработка профиля зубьев и надежные методы соединения гарантируют синхронизацию между несколькими роликами, что имеет решающее значение для предотвращения перекоса материала и обеспечения бесперебойной работы конвейерной линии.
Высокая адаптация к окружающей среде: стальные компоненты обычно подвергаются антикоррозионной обработке (цинкование, чернение, покраска), что позволяет им противостоять обычным факторам заводской окружающей среды, таким как пыль, влажность и умеренные коррозионные условия.
Длительный срок службы и простота обслуживания: отличная износостойкость значительно продлевает цикл замены. Модульная конструкция позволяет заменять только саму звездочку при износе без необходимости замены всего катка.
Этот узел является основным компонентом всего конвейерного оборудования, использующего цепной привод, и широко используется в:
Роликовые конвейеры с приводом: для транспортировки поддонов, контейнеров и тяжелых посылок.
Пластинчатые/верхние цепные конвейеры: В качестве узла звездочки на конце приводного вала.
Системы подвесных цепных конвейеров: в качестве приводной звездочки для цепи.
Конвейерные устройства сельскохозяйственной и строительной техники: такие как внутренние транспортные механизмы в комбайнах и экскаваторах.
Линии упаковки и сортировки: секции, требующие стабильных, надежных и регулируемых по скорости приводов.

Надежная передача мощности. Стальной материал и процессы упрочнения обеспечивают абсолютную надежность передачи мощности.
Высокая несущая способность: подходит для непрерывной промышленной эксплуатации в средних и тяжелых условиях.
Точная синхронизация: обеспечивает синхронизированное действие нескольких точек привода на конвейерной линии.
Длительная долговечность: высокая износостойкость конструкции снижает затраты на техническое обслуживание в течение жизненного цикла.
Гибкая совместимость: возможность гибкого выбора и настройки в зависимости от диаметра вала ролика, размера цепи (например, 08B, 10A, 12A) и количества зубьев.
При выборе он должен соответствовать конвейерному ролику и системе привода. Ключевые параметры включают в себя:
Параметры звездочки: размер цепи (определяет шаг), количество зубьев (влияет на передаточное число и плавность зацепления), модель (однонитчатая/двухцепочечная/сверхмощная).
Параметры соединения: диаметр отверстия (должен соответствовать диаметру вала ролика), размеры шпоночного паза или характеристики втулки.
Параметры производительности: допустимый крутящий момент, применимый диапазон скоростей.
Требования к установке: Обеспечьте правильное соосность звездочки и вала ролика. Затяните все крепежные детали (шпонка, болты втулки, установочные винты) с указанным моментом затяжки. Убедитесь, что зубья звездочки и приводная цепь находятся в одной плоскости, чтобы предотвратить «перескакивание цепи» или ненормальный износ.
Подводя итог, можно сказать, что узел стальной звездочки конвейерного ролика является «силовым соединением» в области промышленной транспортировки. Он представляет собой инженерную интеграцию стандартной трансмиссионной звездочки с валом ролика. Благодаря своим прочным, долговечным и надежным характеристикам он является незаменимым ключевым механическим компонентом, обеспечивающим непрерывную и эффективную работу различных производственных и логистических линий.