Конвейер -ролик накапливается стальная сборка Sprokcet
Стальная звездочка для накопления конвейерного ролика, cОпкулируйте полимерную звездочку, стальная звездочка более долговечна. Он может быть сопоставлен с корпусом полимерного подшипника или стальным корпусом. Различные измерения и материал для различных условий работы ролика.
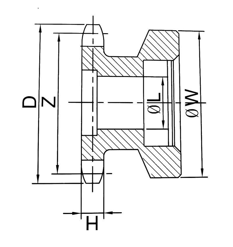
Технические характеристики
| Tube Out Diameter | толщина трубки | диаметр вала | модель звездочки | материал | обработка поверхности |
| Φ50 | 1,2/1,5/2,0 | Φ12/φ15 | 06b/08b | #45 Steel, SS304 | Утверждение, окисление |
| Φ60 | 1,5/2,0/2,5/3,0 | Φ12/φ15/φ20 | 08b | #45 Steel, SS304 | Утверждение, окисление |
| Φ76 | 2.0/2,5/3,0/3,5 | Φ12/φ15/φ20/φ25 | 08b/10a | #45 Steel, SS304 | Утверждение, окисление |
Примечания: сборочный или двухрядный звездочный сборка является Abible.
2 -й рисунок

Изображений


Приложения

Конвейер -ролик накапливается стальная сборка Sprokcet
Стальная звездочка для накопления конвейерного ролика, cОпкулируйте полимерную звездочку, стальная звездочка более долговечна. Он может быть сопоставлен с корпусом полимерного подшипника или стальным корпусом. Различные измерения и материал для различных условий работы ролика.
Технические характеристики
| Tube Out Diameter | толщина трубки | диаметр вала | модель звездочки | материал | обработка поверхности |
| Φ50 | 1,2/1,5/2,0 | Φ12/φ15 | 06b/08b | #45 Steel, SS304 | Утверждение, окисление |
| Φ60 | 1,5/2,0/2,5/3,0 | Φ12/φ15/φ20 | 08b | #45 Steel, SS304 | Утверждение, окисление |
| Φ76 | 2.0/2,5/3,0/3,5 | Φ12/φ15/φ20/φ25 | 08b/10a | #45 Steel, SS304 | Утверждение, окисление |
Примечания: сборочный или двухрядный звездочный сборка является Abible.
2 -й рисунок

Изображений


Приложения
