| штат: | |
|---|---|
| Количество: | |
RONWIN
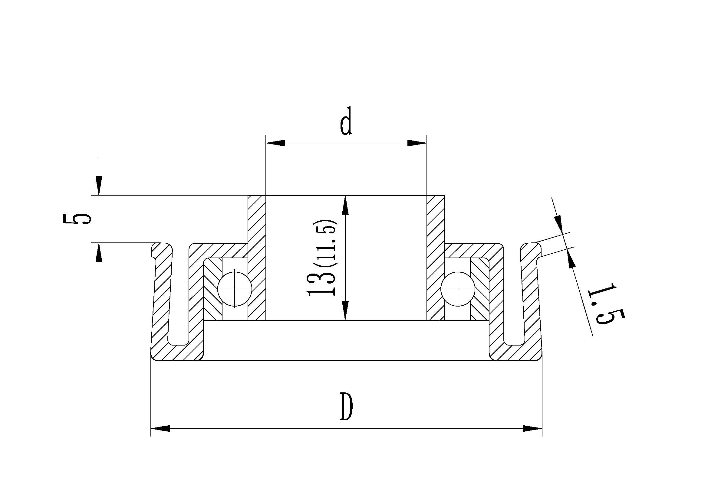
Этот продукт представляет собой высокотехнологичный композитный подшипниковый узел. Основная концепция конструкции заключается в объединении преимуществ двух разных типов подшипников (роликоподшипников и шарикоподшипников) в одном компактном блоке. Он разработан для удовлетворения сложных сценариев применения, требующих комплексного сочетания высокой радиальной нагрузки, умеренной осевой нагрузки, высокой жесткости и прецизионного вращения.
В приведенной ниже таблице технических характеристик указана толщина стенок роликовой трубки и соответствующего вала.
| Выходной диаметр трубки (мм) | толщина стенки трубы (мм) | диаметр вала (мм) | материал |
| Φ25 | 1,0/1,2 | Φ8 | углеродистая сталь, нержавеющая сталь |
| Φ32 | 1,0/1,2 | Φ8 | углеродистая сталь, нержавеющая сталь |
| Φ38 | 1,2/1,5/2,0 | Φ12 | углеродистая сталь, нержавеющая сталь |
| Φ42 | 1,2/1,5/2,0 | Φ12 | углеродистая сталь, нержавеющая сталь |

Стальные ролики диаметром 25 м, 32 мм, 38 мм и 42 мм могут использовать этот тип стального подшипникового узла. Корпус штампованного подшипника, торцевая крышка и прецизионный шарикоподшипник завершают подшипниковый узел.
Этот «узл» представляет собой не стандартизированный одиночный подшипник, а интегрированный функциональный модуль. Его типичная структура обычно состоит из:
Внешний слой/основной корпус: узел цилиндрического роликоподшипника. Он состоит из наружного и внутреннего колец из закаленной стали с цилиндрическими роликами между ними. Это основной компонент для работы с радиальными (вертикальными) нагрузками. Линейно-контактная конструкция роликов обеспечивает чрезвычайно высокую радиальную жесткость и несущую способность.
Внутренний слой/интегрированная секция: прецизионный шарикоподшипник с глубокими канавками. Обычно внутреннее кольцо роликового подшипника специально разработано для интеграции прецизионного радиального шарикоподшипника внутри или на его торцевой поверхности. Этот шарикоподшипник отвечает за осевые (горизонтальные) осевые нагрузки и часть оставшейся радиальной нагрузки, обеспечивая плавное вращение и низкий пусковой момент для всего узла.
Интегрированный корпус/крепление: весь подшипниковый узел обычно заключен в прочный стальной корпус (например, блок с квадратным фланцем, блок с круглым фланцем или опорный блок). Этот корпус обеспечивает точную установку, функцию предварительного выравнивания и облегчает общую установку и фиксацию на раме машины.

Роликовые элементы:
Ролики: изготовлены из высокоуглеродистой хромистой подшипниковой стали (например, GCr15), прецизионно отшлифованы до чрезвычайно жестких допусков на размеры и имеют высокую чистоту поверхности, что обеспечивает равномерное распределение нагрузки.
Шарики: аналогичным образом изготовлены из высокоточных подшипниковых стальных шариков, обычно соответствующих классам ABEC-3/5/7 или выше, что гарантирует высокоскоростную работу, низкое трение и точную траекторию движения.
Кольца и клетка:
Внутреннее и наружное кольца изготовлены из подшипниковой стали и проходят термическую обработку (закалку и отпуск) для достижения высокой твердости и износостойкости.
Сепаратор (разделяющий тела качения) может быть изготовлен из штампованной стали или высокопрочного конструкционного пластика (например, PEEK, нейлона) для направления тел качения на высоких скоростях и уменьшения трения.
Уплотнения: узел обычно оснащен эффективными многочисленными уплотнениями (такими как контактные резиновые уплотнения, лабиринтные уплотнения) для предотвращения проникновения внешних загрязнений (пыль, мусор, жидкости) и удержания внутренней смазочной смазки, что продлевает срок службы.

Исключительно высокая радиальная нагрузка: конструкция цилиндрического роликоподшипника позволяет ему выдерживать очень тяжелые радиальные нагрузки, значительно превосходящие возможности одиночного радиального шарикоподшипника.
Комбинированная грузоподъемность: он может выдерживать значительные осевые нагрузки в обоих направлениях благодаря встроенному прецизионному шарикоподшипнику, одновременно выдерживая огромные радиальные нагрузки. Это предлагает более комплексное и компактное решение по сравнению с использованием только роликовых подшипников (обычно слабых по осевой нагрузке) или спаренных радиально-упорных шарикоподшипников (относительно более слабых по радиальной нагрузке).
Высокая жесткость и точность: роликоподшипник обеспечивает превосходную жесткость, эффективно противодействуя изгибным деформациям, вызванным тяжелыми нагрузками. Встроенный высокоточный шарикоподшипник обеспечивает минимальное биение и рабочее колебание всей системы вращающихся валов.
Предварительная регулировка и простая установка. Поскольку компонент предварительно отрегулирован, смазан и герметизирован перед отправкой с завода, пользователи могут установить его без сложной центровки или регулировок. Он функционирует как модуль «подключи и работай», значительно упрощая процесс сборки и повышая общую точность и надежность сборки машины.
Этот подшипниковый узел специально разработан для оборудования, требующего больших нагрузок, точности и компактной конструкции. Типичные области применения включают в себя:
Высокоточные станки: задняя опора шпинделя в токарных станках с ЧПУ и обрабатывающих центрах, опора с фиксированным концом для тяжелых шариковых винтов.
Промышленные роботы: места соединений роботов, особенно ключевые вращающиеся оси, такие как большие руки и основания, которые должны одновременно выдерживать изгибающие моменты (радиальные силы) и силы тяги.
Профессиональные приводные системы: выходные валы больших редукторов, корпуса роликовых подшипников в печатном оборудовании, направляющие ролики в прокатном оборудовании.
Прецизионные вращающиеся устройства: антенны радаров, вращающиеся компоненты медицинских компьютерных томографов, поворотные столы для больших оптических инструментов.

Функциональная интеграция: решает требования к поддержке как тяжелых радиальных, так и двунаправленных осевых нагрузок в одном устройстве.
Экономия места: встроенный узел имеет более компактную конструкцию по сравнению с решениями, использующими два отдельных подшипника, что экономит ценное внутреннее пространство оборудования.
Повышение производительности: высокая жесткость и точность напрямую улучшают точность обработки, стабильность движения и динамический отклик основного оборудования.
Упрощенная конструкция и обслуживание. Уменьшается количество деталей, упрощается механическая конструкция и часто используется долговечная смазка, увеличивающая интервалы технического обслуживания.
Ключевые факторы, на которые следует обратить внимание при выборе:
Динамическая/статическая нагрузка: допустимая радиальная и осевая нагрузка.
Класс точности: точность шарикоподшипника (например, класс ABEC) и точность вращения всего узла.
Допустимая скорость: Максимальный предел скорости, учитывающий совокупные характеристики роликовых и шариковых подшипников.
Монтажный интерфейс: тип корпуса (фланец, блок и т. д.) и размеры.
Смазка и уплотнения: соответствуют ли тип предварительно залитой смазки и класс уплотнения (степень IP) требованиям к эксплуатационным условиям.
Подводя итог, можно сказать, что прецизионный шарикоподшипник со встроенным роликовым стальным подшипником представляет собой усовершенствованный функциональный компонент, используемый в высокотехнологичном, тяжелом и точном машиностроении. Благодаря инновационной композитной конструкции «ролик + шарик» он идеально сочетает в себе несущую способность, жесткость и точность вращения. Это один из основных основополагающих компонентов, обеспечивающих надежное и точное движение в современном высокопроизводительном оборудовании.
Этот продукт представляет собой высокотехнологичный композитный подшипниковый узел. Основная концепция конструкции заключается в объединении преимуществ двух разных типов подшипников (роликоподшипников и шарикоподшипников) в одном компактном блоке. Он разработан для удовлетворения сложных сценариев применения, требующих комплексного сочетания высокой радиальной нагрузки, умеренной осевой нагрузки, высокой жесткости и прецизионного вращения.
В приведенной ниже таблице технических характеристик указана толщина стенок роликовой трубки и соответствующего вала.
| Выходной диаметр трубки (мм) | толщина стенки трубы (мм) | диаметр вала (мм) | материал |
| Φ25 | 1,0/1,2 | Φ8 | углеродистая сталь, нержавеющая сталь |
| Φ32 | 1,0/1,2 | Φ8 | углеродистая сталь, нержавеющая сталь |
| Φ38 | 1,2/1,5/2,0 | Φ12 | углеродистая сталь, нержавеющая сталь |
| Φ42 | 1,2/1,5/2,0 | Φ12 | углеродистая сталь, нержавеющая сталь |

Стальные ролики диаметром 25 м, 32 мм, 38 мм и 42 мм могут использовать этот тип стального подшипникового узла. Корпус штампованного подшипника, торцевая крышка и прецизионный шарикоподшипник завершают подшипниковый узел.
Этот «узл» представляет собой не стандартизированный одиночный подшипник, а интегрированный функциональный модуль. Его типичная структура обычно состоит из:
Внешний слой/основной корпус: узел цилиндрического роликоподшипника. Он состоит из наружного и внутреннего колец из закаленной стали с цилиндрическими роликами между ними. Это основной компонент для работы с радиальными (вертикальными) нагрузками. Линейно-контактная конструкция роликов обеспечивает чрезвычайно высокую радиальную жесткость и несущую способность.
Внутренний слой/интегрированная секция: прецизионный шарикоподшипник с глубокими канавками. Обычно внутреннее кольцо роликового подшипника специально разработано для интеграции прецизионного радиального шарикоподшипника внутри или на его торцевой поверхности. Этот шарикоподшипник отвечает за осевые (горизонтальные) осевые нагрузки и часть оставшейся радиальной нагрузки, обеспечивая плавное вращение и низкий пусковой момент для всего узла.
Интегрированный корпус/крепление: весь подшипниковый узел обычно заключен в прочный стальной корпус (например, блок с квадратным фланцем, блок с круглым фланцем или опорный блок). Этот корпус обеспечивает точную установку, функцию предварительного выравнивания и облегчает общую установку и фиксацию на раме машины.

Роликовые элементы:
Ролики: изготовлены из высокоуглеродистой хромистой подшипниковой стали (например, GCr15), прецизионно отшлифованы до чрезвычайно жестких допусков на размеры и имеют высокую чистоту поверхности, что обеспечивает равномерное распределение нагрузки.
Шарики: аналогичным образом изготовлены из высокоточных подшипниковых стальных шариков, обычно соответствующих классам ABEC-3/5/7 или выше, что гарантирует высокоскоростную работу, низкое трение и точную траекторию движения.
Кольца и клетка:
Внутреннее и наружное кольца изготовлены из подшипниковой стали и проходят термическую обработку (закалку и отпуск) для достижения высокой твердости и износостойкости.
Сепаратор (разделяющий тела качения) может быть изготовлен из штампованной стали или высокопрочного конструкционного пластика (например, PEEK, нейлона) для направления тел качения на высоких скоростях и уменьшения трения.
Уплотнения: узел обычно оснащен эффективными многочисленными уплотнениями (такими как контактные резиновые уплотнения, лабиринтные уплотнения) для предотвращения проникновения внешних загрязнений (пыль, мусор, жидкости) и удержания внутренней смазочной смазки, что продлевает срок службы.

Исключительно высокая радиальная нагрузка: конструкция цилиндрического роликоподшипника позволяет ему выдерживать очень тяжелые радиальные нагрузки, значительно превосходящие возможности одиночного радиального шарикоподшипника.
Комбинированная грузоподъемность: он может выдерживать значительные осевые нагрузки в обоих направлениях благодаря встроенному прецизионному шарикоподшипнику, одновременно выдерживая огромные радиальные нагрузки. Это предлагает более комплексное и компактное решение по сравнению с использованием только роликовых подшипников (обычно слабых по осевой нагрузке) или спаренных радиально-упорных шарикоподшипников (относительно более слабых по радиальной нагрузке).
Высокая жесткость и точность: роликоподшипник обеспечивает превосходную жесткость, эффективно противодействуя изгибным деформациям, вызванным тяжелыми нагрузками. Встроенный высокоточный шарикоподшипник обеспечивает минимальное биение и рабочее колебание всей системы вращающихся валов.
Предварительная регулировка и простая установка. Поскольку компонент предварительно отрегулирован, смазан и герметизирован перед отправкой с завода, пользователи могут установить его без сложной центровки или регулировок. Он функционирует как модуль «подключи и работай», значительно упрощая процесс сборки и повышая общую точность и надежность сборки машины.
Этот подшипниковый узел специально разработан для оборудования, требующего больших нагрузок, точности и компактной конструкции. Типичные области применения включают в себя:
Высокоточные станки: задняя опора шпинделя в токарных станках с ЧПУ и обрабатывающих центрах, опора с фиксированным концом для тяжелых шариковых винтов.
Промышленные роботы: места соединений роботов, особенно ключевые вращающиеся оси, такие как большие руки и основания, которые должны одновременно выдерживать изгибающие моменты (радиальные силы) и силы тяги.
Профессиональные приводные системы: выходные валы больших редукторов, корпуса роликовых подшипников в печатном оборудовании, направляющие ролики в прокатном оборудовании.
Прецизионные вращающиеся устройства: антенны радаров, вращающиеся компоненты медицинских компьютерных томографов, поворотные столы для больших оптических инструментов.

Функциональная интеграция: решает требования к поддержке как тяжелых радиальных, так и двунаправленных осевых нагрузок в одном устройстве.
Экономия места: встроенный узел имеет более компактную конструкцию по сравнению с решениями, использующими два отдельных подшипника, что экономит ценное внутреннее пространство оборудования.
Повышение производительности: высокая жесткость и точность напрямую улучшают точность обработки, стабильность движения и динамический отклик основного оборудования.
Упрощенная конструкция и обслуживание. Уменьшается количество деталей, упрощается механическая конструкция и часто используется долговечная смазка, увеличивающая интервалы технического обслуживания.
Ключевые факторы, на которые следует обратить внимание при выборе:
Динамическая/статическая нагрузка: допустимая радиальная и осевая нагрузка.
Класс точности: точность шарикоподшипника (например, класс ABEC) и точность вращения всего узла.
Допустимая скорость: Максимальный предел скорости, учитывающий совокупные характеристики роликовых и шариковых подшипников.
Монтажный интерфейс: тип корпуса (фланец, блок и т. д.) и размеры.
Смазка и уплотнения: соответствуют ли тип предварительно залитой смазки и класс уплотнения (степень IP) требованиям к эксплуатационным условиям.
Подводя итог, можно сказать, что прецизионный шарикоподшипник со встроенным роликовым стальным подшипником представляет собой усовершенствованный функциональный компонент, используемый в высокотехнологичном, тяжелом и точном машиностроении. Благодаря инновационной композитной конструкции «ролик + шарик» он идеально сочетает в себе несущую способность, жесткость и точность вращения. Это один из основных основополагающих компонентов, обеспечивающих надежное и точное движение в современном высокопроизводительном оборудовании.